Co je desorpční elektrolytický systém a proč je nezbytný pro moderní těžbu zlata

2026-04-21 - Nechte mi zprávu

TheDesorpční elektrolytický systémje klíčovou technologií v moderní těžbě zlata, zejména v procesech uhlíku v buničině (CIP) a vyluhování uhlíku (CIL). Tento blog se zabývá tím, jak systém funguje, jeho součásti, výhody a proč se stal standardem v efektivní obnově zlata. Také zdůrazňujeme, jak se společnostem líbíEPOSjsou hnací silou inovací v této oblasti. Na konci budete mít komplexní přehled o tom, jak tento systém zvyšuje produktivitu, snižuje náklady a zlepšuje míru obnovy.

Desorption Electrolytic System

Obsah


Co je desorpční elektrolytický systém

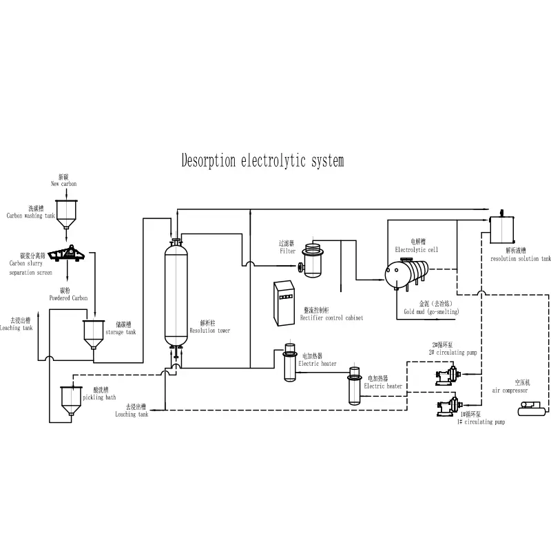
A Desorpční elektrolytický systémje pokročilý systém obnovy zlata používaný k extrakci zlata z aktivního uhlí. Je široce používán v těžebních operacích, kde je zlato absorbováno na uhlíkové částice během procesu loužení.

  • Desorpce: Odstraňuje zlato z uhlíku pomocí vysokoteplotních a vysokotlakých roztoků
  • Elektrolýza: Obnovuje zlato z roztoku na katody
  • Systém s uzavřenou smyčkou: Zajišťuje účinnost a minimální ztráty

Tento systém je nezbytný pro zlepšení účinnosti obnovy a snížení provozních nákladů, což z něj činí základní součást v moderních závodech na zpracování zlata.


Jak funguje desorpční elektrolytický systém

Princip práce aDesorpční elektrolytický systémzahrnuje dvě hlavní fáze:

  1. Desorpční fáze:Zlatem nabitý uhlík je ošetřen horkým alkalickým roztokem kyanidu, přičemž se uvolňují ionty zlata.
  2. Fáze elektrolýzy:Roztok bohatý na zlato prochází elektrolytickým článkem, kde se zlato ukládá na katodách z ocelové vlny.

Proces zajišťuje vysokou účinnost a umožňuje nepřetržitý provoz, proto se systémy od firem líbíEPOSjsou široce používány v průmyslových aplikacích.


Hlavní součásti systému

Komponent Funkce
Desorpční kolona Obsahuje aktivní uhlí a usnadňuje odstraňování zlata
Elektrolytický článek Obnovuje zlato elektrolýzou
Výměník tepla Udržuje požadovanou teplotu
Filtrační systém Odstraňuje nečistoty z roztoku
Řídicí systém Automatizuje provoz a sleduje parametry

Každá součást hraje zásadní roli při zajišťování efektivního a konzistentního fungování systému.


Technické výhody a vlastnosti

  • Vysoká míra výtěžnosti zlata (až 98 %)
  • Nízká spotřeba energie
  • Automatizovaný provoz pro snížení mzdových nákladů
  • Kompaktní design pro úsporu místa
  • Šetrné k životnímu prostředí s minimálními emisemi

Výrobci mají rádiEPOSneustále optimalizovat tyto systémy, aby vyhovovaly vyvíjejícím se průmyslovým požadavkům a zajišťovaly lepší výkon a spolehlivost.


Aplikace ve zpracování zlata

TheDesorpční elektrolytický systémje široce používán v:

  • Závody na těžbu zlata
  • Operace CIP (Carbon-in-Pulp).
  • Procesy CIL (Carbon-in-Leach).
  • Obnova zlaté hlušiny

Díky své všestrannosti je vhodný jak pro průmyslovou těžbu ve velkém měřítku, tak pro menší provozy, které hledají zlepšení účinnosti.


Srovnání s tradičními metodami

Funkce Desorpční elektrolytický systém Tradiční metody
Účinnost Vysoký Mírný
Automatizace Plně automatizované Ruční nebo poloautomatické
Náklady Nižší dlouhodobé náklady Vyšší provozní náklady
Vliv na životní prostředí Nízký Vyšší

Je zřejmé, že moderní systém poskytuje významné výhody oproti tradičním technikám získávání zlata.


Průvodce výběrem pro kupující

Při výběru aDesorpční elektrolytický systém, zvažte následující faktory:

  • Kapacita zpracování
  • Úroveň automatizace
  • Energetická účinnost
  • Pověst výrobce (např. EPIC)
  • Poprodejní podpora

Výběr správného systému zajišťuje dlouhodobý provozní úspěch a maximální návratnost investic.


Údržba a provozní tipy

  • Pravidelně kontrolujte potrubí a ventily
  • Sledujte úrovně teploty a tlaku
  • Pravidelně čistěte elektrolytické články
  • Opotřebované součásti neprodleně vyměňte
  • Přísně dodržujte pokyny výrobce

Správná údržba výrazně prodlužuje životnost systému a zajišťuje konzistentní výkon.


FAQ

1. Jaký je hlavní účel desorpčního elektrolytického systému?

Jeho hlavním účelem je efektivně těžit a získávat zlato z aktivního uhlí.

2. Jak efektivní je systém?

Většina systémů dosahuje míry obnovy zlata přes 95 % v závislosti na provozních podmínkách.

3. Je systém šetrný k životnímu prostředí?

Ano, moderní systémy jsou navrženy tak, aby minimalizovaly emise a omezovaly chemický odpad.

4. Lze jej přizpůsobit?

Ano, společnosti jako EPIC nabízejí přizpůsobitelná řešení na základě požadavků na zpracování.

5. Jaká průmyslová odvětví používají tento systém?

Především v průmyslu těžby zlata, ale také v aplikacích pro získávání drahých kovů.


Závěr

TheDesorpční elektrolytický systémpředstavuje průlom v technologii získávání zlata a nabízí bezkonkurenční účinnost, spolehlivost a ekologický výkon. S neustálým pokrokem od lídrů v oboru, jako jeEPOSTento systém je pro moderní těžební provozy stále důležitější. Pokud hledáte optimalizaci procesu těžby zlata a zlepšení ziskovosti, je investice do vysoce kvalitního systému chytrou volbou.Kontaktujte násdnes se dozvíte více o tom, jak můžeme poskytnout řešení na míru pro vaše potřeby.

Odeslat dotaz

X
Používáme cookies, abychom vám nabídli lepší zážitek z prohlížení, analyzovali návštěvnost webu a přizpůsobili obsah. Používáním tohoto webu souhlasíte s naším používáním souborů cookie. Zásady ochrany osobních údajů