Jak kyanovací zařízení zlepšuje obnovu zlata a bezpečnost místa?

2026-01-08 - Nechte mi zprávu

Pokud jste někdy měli pocit, že kyanidace je „účinná, ale stresující“, nepředstavujete si to. Chemie funguje – přesto může být každodenní realita chaotická: proměnlivá ruda, nadměrné výdaje na činidla, ztráty uhlíku, neočekávané prostoje a neustálý tlak na bezpečný a konzistentní provoz. Tento článek rozebírá coKyanovací zařízeníby pro vás měl vlastně udělat, na co se zeptat před nákupem a jak se vyhnout nejdražším chybám.


Abstraktní

ModerníKyanovací zařízenínení jen sada nádrží – je to propojený systém navržený tak, aby řídil podmínky vyluhování, stabilizoval regeneraci, snižoval množství odpadu reagencií a udržoval manipulaci s kyanidy předvídatelnou. Kupující se obvykle potýkají se čtyřmi problémy: nekonzistentní obnova, vysoké provozní náklady, slabé bezpečnostní kontroly a bolesti hlavy z údržby. Níže získáte praktický pohled na kyanidační moduly (vyluhování, adsorpce, desorpce/elektrowinning, detox a instrumentace), výběrovou matici, tipy pro uvádění do provozu a sekci FAQ, kterou můžete použít během rozhovorů s dodavateli.


Obsah


Přehled na první pohled

  • Přeložte „Potřebuji kyanidaci“ do kompletního, ovladatelného rozsahu zařízení.
  • Zjistěte, který modul způsobuje vaše ztráty (obnovení, reagencie, uhlík nebo prostoje).
  • Použijte jednoduchou matici k porovnání řešení pro váš typ rudy a omezení.
  • Vstupte na schůzky s dodavateli s kontrolním seznamem, který rychle odhalí slabé návrhy.

Skutečné body bolesti kupujícího

Když lidé nakupujíKyanovací zařízení, často říkají „Potřebuji vyšší zotavení“. Obvykle znamenají: „Potřebuji zotavení, které zůstane vysoké, i když se ruda mění, operátoři rotují a místo je vzdálené.“ Zde jsou bolestivé body, které se objevují znovu a znovu:

  • Houpačky zotavenízpůsobené proměnlivostí rudy, problémy s mletím, omezeným množstvím kyslíku nebo špatnou kontrolou pH.
  • Kroužení nákladů na činidloz předávkování kyanidem nebo vápnem „jen pro jistotu“.
  • Problémy s uhlíkemjako je znečištění, ztráta otěru nebo špatná kinetika adsorpce.
  • Odstávkaod selhání čerpadla/ventilu, opotřebení abrazivní kaše nebo těžko přístupných uspořádání.
  • Bezpečnostní streskolem skladování kyanidu, dávkování a pohotovostní pohotovosti.

Dobrý design vybavení neodstraní veškerou složitost, ale měl by odstranit dohady.


Co zahrnuje „zařízení kyanidování“.

Cyaniding Equipment

minimálně,Kyanovací zařízeníje třeba chápat jako systém, který podporuje tyto funkce:

  • Vyluhování: poskytuje čas, míchání a kontrolu chemie pro rozpouštění.
  • Zlaté zajetí: adsorpce na aktivní uhlí (CIP/CIL) nebo srážecí cesty.
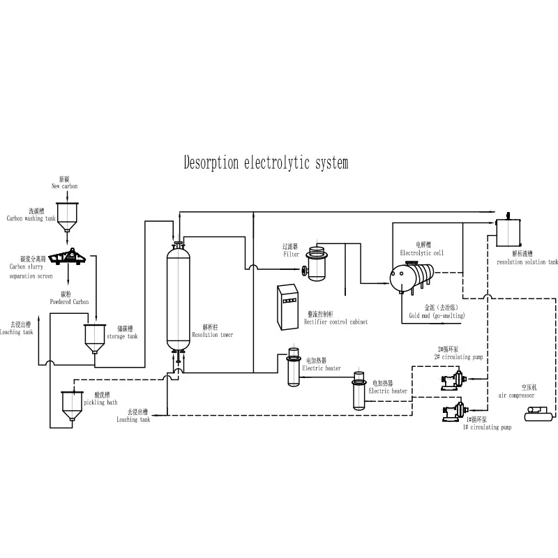
  • Oživení zlata: desorpce a elektrické získávání (nebo alternativní regenerační okruhy).
  • Detox a manipulace s hlušinou: snížit zbytkový kyanid na přijatelnou úroveň.
  • Přístrojové vybavení a řízení: měření a stabilizace pH, rozpuštěného kyslíku, průtoku a dávkování.

Pokud dodavatel mluví pouze o „nádržích“, zatlačte na něj, aby definoval celý tok a kontrolní body. Kyanidace je v laboratorních podmínkách shovívavá; v chaotických polních podmínkách není shovívavá.


Přehledná mapa procesů od Ore po Doré

I když se každá rostlina liší, většina kyanidačních cest sleduje rozpoznatelnou páteř. Pomocí této mapy můžete zkontrolovat, zda je navrhovaný balíček kompletní:

Fáze Čeho se musí dosáhnout Typické „skryté“ riziko
Předběžná úprava (podle potřeby) Zpřístupněte zlato a zabraňte prudkým nárůstům spotřeby kyanidu Ignorování preg loupeže, vysokého obsahu mědi nebo reaktivních sulfidů
Vyluhování Stabilní míchání, kontrolované pH a dostatek kyslíku Mrtvé zóny, špatný přenos kyslíku, kolísavé pH ze slabého vápenného systému
Adsorpce (CIL/CIP) Efektivně zachyťte rozpuštěné zlato Špatná velikost uhlíku/způsob přenosu; uhlíkové ztráty
Eluce/desorpce Odstraňte zlato z uhlíku spolehlivě Nekonzistentní ohřev/průtok vede k nízké účinnosti stripování
Elektrovýběr / tavení Obnovte a vyrobte doré Poddimenzované články, špatné hospodaření s elektrolytem, ​​problémy s manipulací s kalem
Detox Před vypouštěním/odkalováním snižte zbytky kyanidu Design neodpovídá variabilitě průchodnosti nebo chemii hlušiny

Klíčové moduly a co zkontrolovat

1) Vyluhovací nádrže a míchání

  • Je design míchání vhodný pro vaši hustotu a abrazivitu kalu?
  • Dokáže systém udržet stabilní pH při proměnlivosti rudy?
  • Je přidávání kyslíku na vašem pracovišti praktické (a je při návrhu uvažován přenos kyslíku)?
  • Umožňuje uspořádání snadnou kontrolu oběžných kol, vložek a ložisek?

2) Adsorpce a přenos uhlíku

  • Jsou mezistupňové obrazovky dostatečně robustní, aby zabránily přenosu uhlíku?
  • Je přenos uhlíku navržen tak, aby omezoval lámání a ztráty?
  • Je design šetrný k čištění a kontrole zásob uhlíku?

3) Desorpce a elektrolytické získávání

  • Splňuje eluční okruh vaše očekávání týkající se zatížení uhlíkem?
  • Jsou regulace vytápění a průtoku stabilní (nezávislé na obsluze)?
  • Je manipulace s kaly plánovaná, ne improvizovaná?

4) Dávkování a měření kyanidu

  • Je dávkování automatické se zámky nebo čistě manuální?
  • Jaký je plán kalibrace a údržby senzorů v reálném prostředí dolu?
  • Jsou místa odběru vzorků bezpečná a dobře umístěná, nebo jsou to dodatečný nápad?

5) Detoxikace

  • Je návrh detoxikace založen na vašich cílech vypouštění a chemii hlušiny?
  • Dokáže zvládnout krátkodobé výkyvy bez vynucení vypnutí?

Praktická rada:Návrh, který na papíře vypadá levněji, často zvyšuje náklady na operace – kyanid navíc, vápno navíc, práce navíc při údržbě a „hrdinštější“ chování operátora. Účet dorazí později.


Základy dimenzování a specifikace

Nemusíte být metalurg, abyste mohli klást otázky ohledně velikosti, které ochrání váš rozpočet. ProKyanovací zařízeníLogika dimenzování jádra se točí kolem propustnosti, doby zdržení a přenosu hmoty. Před přijetím jakéhokoli konečného návrhu se ujistěte, že tyto vstupy jsou výslovně uvedeny:

  • Propustnost návrhu(průměr a vrchol plus očekávaná sezónní variabilita).
  • Cílová velikost mletía co se stane, když mlýn zhrubne.
  • Doba zdržení výluhua zda je založen na testech nebo předpokladech.
  • Plán pH a zásaditosti(včetně přípravy vápna a stability dávkování).
  • Kyslíková strategie(vzduch, kyslík nebo žádný) a očekávaný dopad na kinetiku.
  • Inventář uhlíku(kolik uhlíku, kde se nachází a jak je monitorován).

Pokud je dodavatel nedokáže vysvětlit srozumitelným jazykem, považujte to za signál rizika – nikoli za technickou záležitost.


Bezpečnost a kontrola kyanidu, která skutečně vydrží

Bezpečnost není plakát na zdi. Díky kyanizaci je to zabudováno do fyzického designu a rutinního ovládání. SilnýKyanovací zařízeníbalíčky obvykle obsahují:

  • Obsažené úložiště a přenoss jasnými cestami úniku a logikou spojování.
  • Blokované dávkovánítakže kyanid nelze přidat, když nejsou splněny klíčové podmínky.
  • Jasný vzor vzorkovánícož snižuje riziko expozice během rutinních kontrol.
  • Nouzová připravenostjako součást sady provozních postupů, nikoli jako doplňkový dokument.

Z pohledu kupujícího je vaše práce jednoduchá: přinutit návrh, aby přesně ukázal, jak lidé interagují se systémem. Kde stojí? Čeho se dotýkají? Jak izolují zařízení? Jak reagují na selhání těsnění čerpadla ve 2 hodiny ráno?


Odkud provozní náklady skutečně pocházejí

Pokud vaše cena za unci stoupá, obvykle nejde o jedno dramatické selhání – jsou to malé úniky v systému, které se spojují. V kyanizaci jsou nejběžnějšími nákladovými faktory:

  • Spotřeba kyaniduřízena reaktivními minerály, návyky při předávkování nebo špatnými regulačními smyčkami.
  • Spotřeba vápnakdyž je kontrola pH nestabilní nebo chemie suspenze není dobře pochopena.
  • Ztráta uhlíkupřes otěr, problémy s obrazovkou nebo špatný návrh přenosu.
  • Napájení a údržbaz nadměrného míchání, nedostatečně navržených opotřebitelných dílů a těžko obsluhovatelných uspořádání.
Příznak Pravděpodobná hlavní příčina Funkce zařízení, která pomáhá
Výtěžnost klesá, když se ruda mění nestabilita pH/DO; špatné míchání; nedostatečná doba pobytu Robustní míchání, lepší kontrolní instrumentace, flexibilní kapacita nádrže
Výdaje na kyanid neustále rostou předávkování; minerály s vysokou spotřebou kyanidu; špatné měření Kontrolované dávkování, spolehlivá odběrná místa, chytřejší blokování
Zásoba uhlíku se „záhadně“ zmenšuje Selhání obrazovky; ztráty z převodů; otěr Odolné mezistupňové síta, jemný převodový design, jasné uhlíkové účtování
Časté odstávky Díly podléhající opotřebení, těsnění čerpadla, problémy s přístupem Materiály odolné proti opotřebení, přístup k údržbě, standardizované náhradní díly

Spolehlivost a údržba Design

Cyaniding Equipment

Kyanidační okruh může vypadat „kompletně“ a přesto může být nespolehlivý, pokud údržba nebyla navržena. Zeptejte se, jak přistupuje dodavatel:

  • Výběr materiálůpro zóny s abrazivní suspenzí a kontaktní zóny s kyanidy.
  • Přístupna síta, oběžná kola, vložky, čerpadla a přístrojové vybavení.
  • Strategie náhradních dílůkterá odpovídá realitě vašeho webu (dodací lhůty, logistika, skladování).
  • Standardizacesnížit počet jedinečných předmětů opotřebení.

Ve vzdálených operacích může mít „snadná údržba“ větší cenu než „papírově o něco efektivnější“.


Otázky dodavatele, na které byste se měli ptát

Použijte tento kontrolní seznam na schůzkách. Je navržen tak, aby rychle odhalil slabé návrhy – aniž by se konverzace změnila v debatu.

  • Která rudná rizika jsou předjímána a pro která jsou aktivně navržena?
  • Jaké jsou návrhové vstupy pro dobu zdržení, rozsah pH a kyslíkovou strategii?
  • Jak je řízeno dávkování kyanidu a co se děje při selhání senzoru?
  • Jak se předchází ztrátám uhlíku a jak se měří v běžných provozech?
  • Jaký je plán přístupu údržby pro síta, míchadla a čerpadla?
  • Jaké jsou doporučené kontroly operátora za směnu a jak jsou zajištěny?
  • Jaká podpora při uvádění do provozu je zahrnuta a jaké školení operátora je poskytováno?

Pokud hodnotíte dodavatele, může vám pomoci promluvit si s výrobcem, který může dodat kompletní kyanidační balíček a podporovat podrobnosti o integraci. Například, Qingdao EPIC Mining Machinery Co., Ltd.poskytuje řešení zařízení pro zpracování těžby, kde jsou kyanidační balíčky považovány za systémy – vyluhování, adsorpce, obnova a kontrola – spíše než za odpojenou sadu nádrží.


FAQ

Co dělá kyanovací zařízení „moderním“ spíše než základním?

Moderní konstrukce se zaměřují na ovladatelnost a opakovatelnost: stabilní dávkování, spolehlivé měření, bezpečnější odběr vzorků, robustní ochrana proti opotřebení a uspořádání, které omezuje improvizaci operátora. Cílem je konzistentní obnova s ​​menším množstvím odpadu reagencií a menším počtem odstávek.

Může kyanovací zařízení ekonomicky zpracovávat rudu nízké kvality?

Může, ale pouze tehdy, když je obvod navržen podle vaší kinetiky a profilu spotřeby. Provozy nízké kvality bývají citlivé na nadměrné utrácení reagencií a prostoje, takže řídicí systémy, konstrukce opotřebení a řízení uhlíku se stávají obzvláště důležitými.

Jak poznám, zda potřebuji CIP nebo CIL?

Volba obvykle závisí na kinetice výluhu a na tom, jak rychle by mělo být rozpuštěné zlato zachyceno. Pokud se zlato rychle rozpouští a chcete okamžité zachycení, CIL může být atraktivní. Pokud vyluhování prospívá separaci před adsorpcí, CIP může lépe vyhovovat. Rozhodnutí by měly ovlivnit metalurgické testy a praktická omezení na místě.

Proč spotřeba kyanidu někdy náhle prudce stoupne?

Mezi běžné příčiny patří změny minerálů v rudách, špatná regulace pH, neočekávané omezení kyslíku nebo kontaminace v procesní vodě. Díky dobrému kontrolnímu plánu a spolehlivým místům odběru vzorků lze tyto špičky snadněji diagnostikovat a rychle opravit.

Co bych měl upřednostnit, pokud je můj web vzdálený a má málo zaměstnanců?

Upřednostněte údržbu a automatizaci, která omezuje ruční manipulaci: odolné obrazovky, přístupné uspořádání zařízení, standardizované náhradní díly, propojené dávkování a jasné provozní postupy, které se nespoléhají na „jednoho odborného operátora“.


Zabalit

NákupKyanovací zařízeníjde v konečném důsledku o snížení nejistoty. Chemie může být prokázána, ale vaše ziskovost závisí na důsledné kontrole, praktické údržbě a bezpečnosti, která funguje na skutečné směny se skutečnými lidmi. Pokud plánujete nový závod nebo modernizujete stávající okruh, předložte své rudné skutečnosti, cíle propustnosti a omezení lokality – a trvejte na návrhu, který považuje kyanidaci za kompletní, ovladatelný systém.

Jste připraveni proměnit svůj kyanidační plán ve spolehlivý a nákladově stabilní provoz?Podělte se o svůj typ rudy, cílovou kapacitu a podmínky lokality akontaktujte násprodiskutovat praktickou konfiguraci zařízení, která vyhovuje vašemu závodu a vašim operátorům.

Odeslat dotaz

X
Používáme cookies, abychom vám nabídli lepší zážitek z prohlížení, analyzovali návštěvnost webu a přizpůsobili obsah. Používáním tohoto webu souhlasíte s naším používáním souborů cookie. Zásady ochrany osobních údajů